DIY-DAC
¹Ï/ ¤å : LCM
ŪªÌ§ë½Z
¶K¤å¤é´Á : 2005¦~3¤ë27¤é
¥»½g¤å³¹¤º¡A©Ò¦³¹Ï¤ù©M¤å¦rªºª©ÅvÄÝ LCM ¥þÅv¾Ö¦³¡A¥¼¸gLCMªº¦P·N¤U¡A½Ð¤ÅÂà¶K¦³Ãö¤º®e¡C


¥Øªº :
¤â¤WªºCD_PLAYER©MHEADPHONE AMP³£¤w¥Î¤F¤@¬q®É¶¡¡A
¦ý¥ÎCD_ROMª½¥XªºÁnµÁÙ¬O¤£¦X¦Û¤vªºn¨D¡A
©Ò¥H¥h§ä¨Ó¤@¥xµ·½¸Ñ½X¾¹¡C¦Ó³o¦¸©Ò²Õ¸Ëªº¸Ñ½X¾¹¬O¦~¦h«eÁʦۥxÆWªººô¯¸¡A
¤w¶}Án¤@¬q®É¶¡¡A¦]·í®É¤£¤Óº¡·N©Ò¥H§â¥¦©ñ¦b¤@®Ç¡C ¸g¹L³o¤@¦~¹ïDIY¦h¤F¤@¨Ç¤F¸Ñ(¥u¬O¥Ö¤ò)¡A
©Ò¥H´NÁx²Ê²Ê§â³o¥x¥¢±Ñ¤§§@¤j§ï¡C§Æ±æ¥i¥H±q¤¤±o¨ì¤@¨ÇÅå°_¡C
¤º®e :
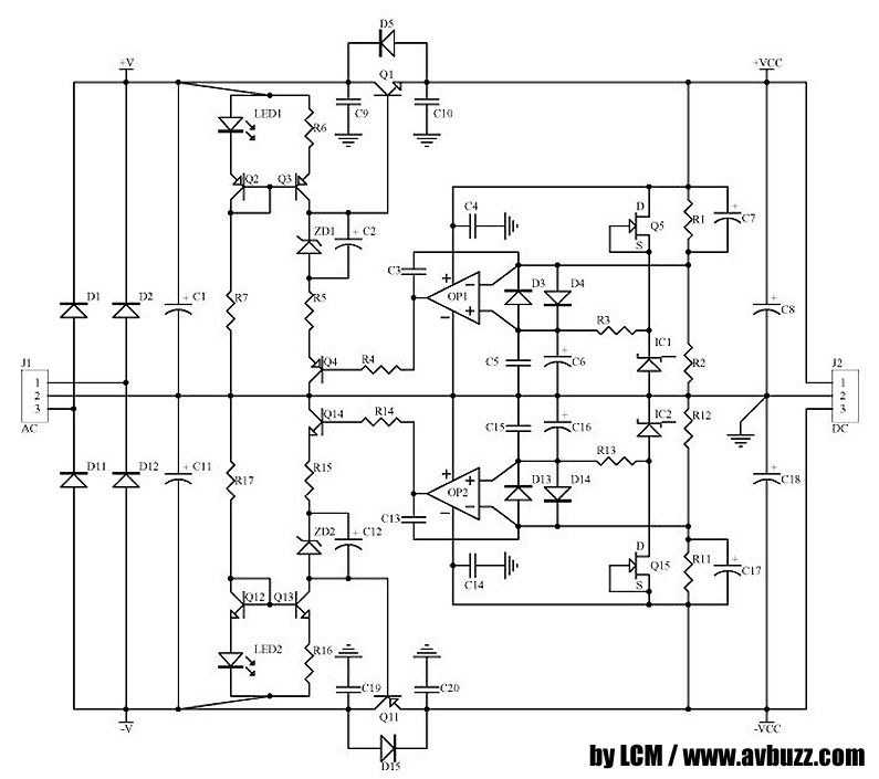
³o¥x¸Ñ½X´¹¤ù¥Î¤W¤é¨tªºAKM4395VF¡A¦Ó±µ¦¬´¹¤ù¬O¥ÎCS8414¡C
©Ò¥H³Ì°ª¥i¥H³B²z24bit/96Kªº«H¸¹¡A¹ï¼È®É¥uÅ¥CDªº§Ú¨Ó»¡¥H«Ü¨¬°÷

¥DªO¤Wªº¹s¦ñ¦¤w²k¦n¡A¦ý¹ï¬Y³o¹s¥ó³£¤£¤Óº¡µ¡A
©Ò¥H¦b¤µ¦¸ªº¤j§ï¤U³£´«¤F¤£¤Ö¹s¥ó¡C¤W¹Ï¤w¸g¬O×§ï«áªº¼Ë»ª¡C

³Q»É¤ù»\þÓªºIC´N¬OAKM4395VF©MCS8414¡A¦Ó¿é¤Jªº³¡¦³¥úÅÖ©M¦P¶b¡A
¦P¶bªº¥æ³s¬O¥Î¯ß½ÄÅÜÀ£¾¹¡C¦Ó¥úÅÖ«h¥Î¤W¹q®e§@¥æ³s¿é¤J¡C

¦Ó¦bLPF¤è±«h¥Î¤W6²ÉBBªºOPA627BP¡A´£¨Ñ¤@²Õ¥¿Å©M¤@²ÕRCA¿é¥X¡C

¦]³o¦¸×§ïªº¹s¥ó¤Ø¤o¤ñ¸û¤j¡A©Ò¥H§â³¡¥÷¸Ë¦bI±¡C

³o¬O¦UºÝ¤lªº±Æ¦C¡C
¹q·½³¡¥÷ :
¹q·½³¡¥÷¬O¤µ¦¸ªº×§ï«ÂI¡A°£¤F§â¥D½u¸ô©M¹q·½¤À¶}¸Ë½c¥~¡A
¤]¥Ñ²³æªº¤TºÝ¤lÃÀ£§ï¦¨¤U¦C¹Ï¤ù¤¤ªºÃÀ£¡C

³o¦¸ªºDAC¹ï¹q·½ªºn¨D¬O2²Õ¥¿5V©M¤@²Õ¥¿t15Vªº¹qÀ£¡C

2²Õ5Vªº¹q·½ªOª½±µÂê¦b´²¼ö¤ù¤W¡A¨ä¹ê¸Ñ½Xªº2²Õ5V¹q·½¬O¥i¥H¦@¥Î¤@²Õ¡A
¦ý¦]Ó¤Hªºµêºa¤ß§@©Ç©Ò¥H§â¥¦¤À¶}2²Õ¤ñ¸ûHI-END¡C

¤W¹Ï¬O5V¹q·½ªOªº½u¸ô¹Ï¡A¥i¥H¥Ñ×§ï¬Y¨Ç¹s¥óªº¼Æª½´£¨Ñ5V~80V¹q·½ªº½u¸ô¡C
¸ê®Æ¨Ó·½ http://home.kimo.com.tw/ucccap/

¥¿t15Vªº¹q·½ªO¥Dn´£¨ÑLPFªº¹q·½¡C

¥¿t¹q·½¦U¥Î¤W2ÁûLT1085©MLT1033

ÃÀ£IC³¡¥÷¥Î¤W2ÁûOPA627BP½T«O¹qÀ£ªºÃ©w(¨ä¹ê¬O¥Î¨Ó½T«O¦Û¤v¦³¨¬°÷ªºµêºa¤ß~~«¢«¢~~)¡C

§â³¡¥÷¹s¥ó²¾¨««á¥i¥H¬Ý¨ì¤U¼hªºÅÜÀ£¾¹¡A1°¦¶Â¦âªºÅÜÀ£¾¹¥i¥H´£¨Ñ2²Õ5V¹q·½ªO¨Ï¥Î¡A
¦Ó¦h¥X¨Óªº¬Oµ¹±N¨Ó¤É¯Å¡A¥i¥H¦h´£¨Ñ2²Õ5V¹q·½¡CÁÙ¦³¤@°¦¬O¥¿t15V¨Ï¥Îªº¡C

L¾T¨¤¤Wªº¬OPowerºÞ¡A¥Î¾T¨¤¾É¼ö¥h´²¼ö¤ù¡C
PowerºÞ

PowerºÞªº±µ¸}¥Î»È½u±qI±©U¤W¨Ó²k±µ¡C
¤W¹Ï¬O¥¿t15V¹q·½ªOªº½u¸ô¹Ï¡A¸ê®Æ¨Ó·½ http://home.kimo.com.tw/ucccap/

IEGOªºIEC´¡®y¡A¦Ó¤j³¡¥÷ªº½u§÷³£¬O¥Î¤WBELDEN 83030 16AWGÁá»È½u¡C

Á`µ² :
³o½greport¤w¬O§Ú¦bºô¸ô¤Wªº²Ä3½greport¡A¦b¼g³o½greportªº¦P®É¡A
§Ú¤]¥Î³o3¥x¾÷¾¹±ÀþÓK501¦Õµ©Å¥CD¡A³Ìªñ¶RªºCD³£¬OXRCD,¤éªO©M¬üªOªºCD¡A¶}©l³Q³o3¥x¯}¾÷¾¹¾iÃa¡C
¨ä¹ê§Ú·Q¼g³o¨Çreportªºì¦]¬O§Æ¯à´£¨Ñ¦h¤@¨Ç¸ê°Tµ¹¤j®a¡A
µ¥¦h¤@¨Ç¤Hª¾¹DHI-FI¤]¦³¨ä¥Lªºª±ªk¡A»ÝµM¥i¥H¥Î¦Û¤vªº®É¶¡©M¦½¤ô¨Ó¥æ´«¥»n¥I¥Xªºª÷¿ú¡A
¦ýºâ°_¨ÓÁÙ¬O·|¤ñª±¼t¾÷¶Q¡C¦ý³oºØ¤èªkº¡¾A¦X§Ú³oºØ½a¬P°U¥@¡B©R¥Ç¤Ñ±þ©t¬P¡Aª`©w©t¿W¤@¥Í¡BµL¿ú²×¦Ñªº¤H¡C
¦]¬°DIY½T¹ê¥I¥Xªº¿ú¤ñ¸û¤Ö¡A¥Î®É¶¡¨Ó§C®øª÷¿ú¡A¤@±`HI-ENDªº¹Ú¡C
- END -
ÁÂÁ¦¬¬Ý³o½g¤å³¹¡A§A¬O²Ä
Ó¦¬¬Ý³o½g¤å³¹ªºÅªªÌ¡C
